Tuesday, January 15th, 2008 AT 10:19 PM
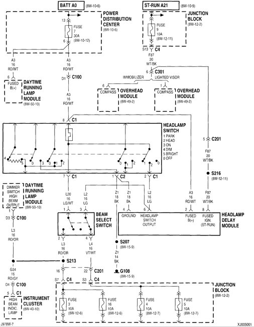
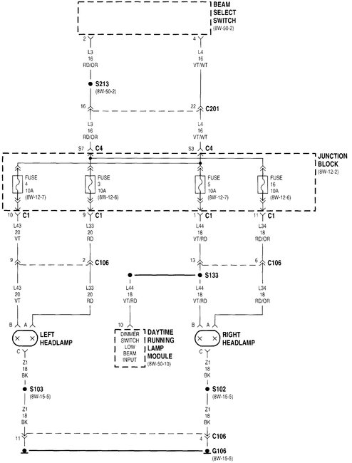
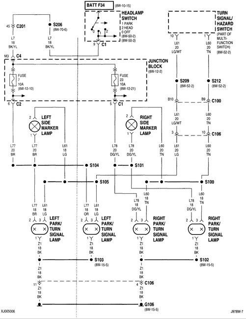
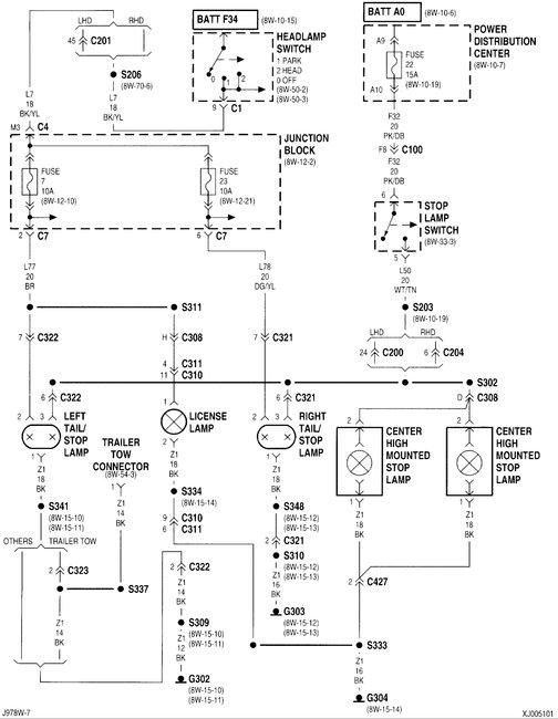
I Just purchased a Jeep Cherokee Country yesterday, and noticed tonight that the lighting is all out of whack! The instument cluster will only come on if you pull out the headlight knob a hair. If you pull it all the way out it will not turn on. So either I have headlights and no dash lights, or dashlights and no headlights. But not both at the same time! And when the headlights ARE turned on, it is only the front headlights that come on, and not the rear lights, though the brake lights work. So to a person following you at night, they may not notice you unless you apply the brakes! I checked the fuses, and they are fine. Both of these situations bother me as the main reason I got it was to get a safe winter vehicle for my fiance who is expecting. Any ideas or advice would be appreciated!











