Thursday, July 21st, 2022 AT 10:51 PM
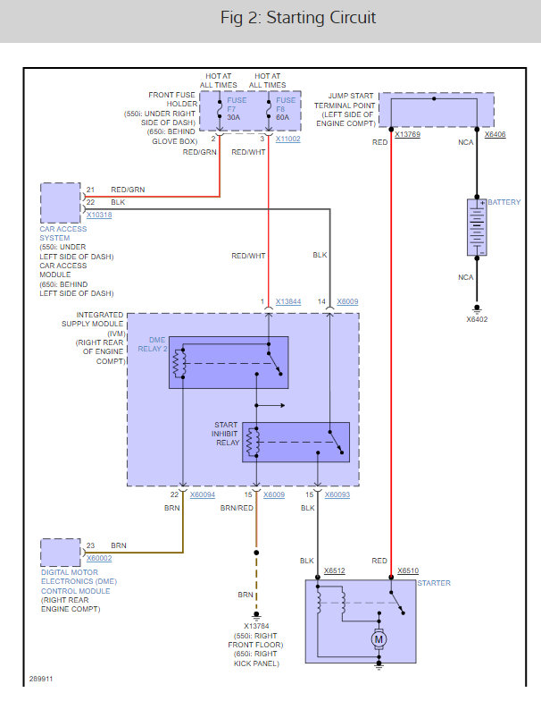
Hello. I am having a issue with a intermittent no crank no start. Every few days sometimes a week or two my car dose a no crank no start it just makes a click sound, all lights and power comes on everything seems fine until is push the start button it makes a click noise and that is it. After a few tries it starts or I will leave it alone for a hour or two then it starts. I have checked the battery terminals and all looks good they are tight and no corrosion. There is no check engine light either when it happens so I plugged a scanner in anyway and the (CAS) shows a code A0B4 engine start, starter operation. Which I take it needs a new starter, but I looked up the code online and I found this is a common problem for a bad start or alot of people on the bmw forums said they had same code and problem and actually turned out to be a bad ground. I have looked everywhere for the ground strap I found 2 ground wires atop the intake manifold near fuel injector rail but I've heard ther is one under the car but I can't find it anywhere can you helpe with possible locations for the ground wire locations?





