Interior lights not working properly

Tiny
RSMITH50
  • MEMBER
  • 2006 CADILLAC DEVILLE DTS
  • V8
  • 2WD
  • AUTOMATIC
  • 134,000 MILES
The interior lights stay on at night they go off and come back on.
Wednesday, April 1st, 2020 AT 7:13 PM

9 Replies

Tiny
KASEKENNY
  • MECHANIC
  • 18,907 POSTS
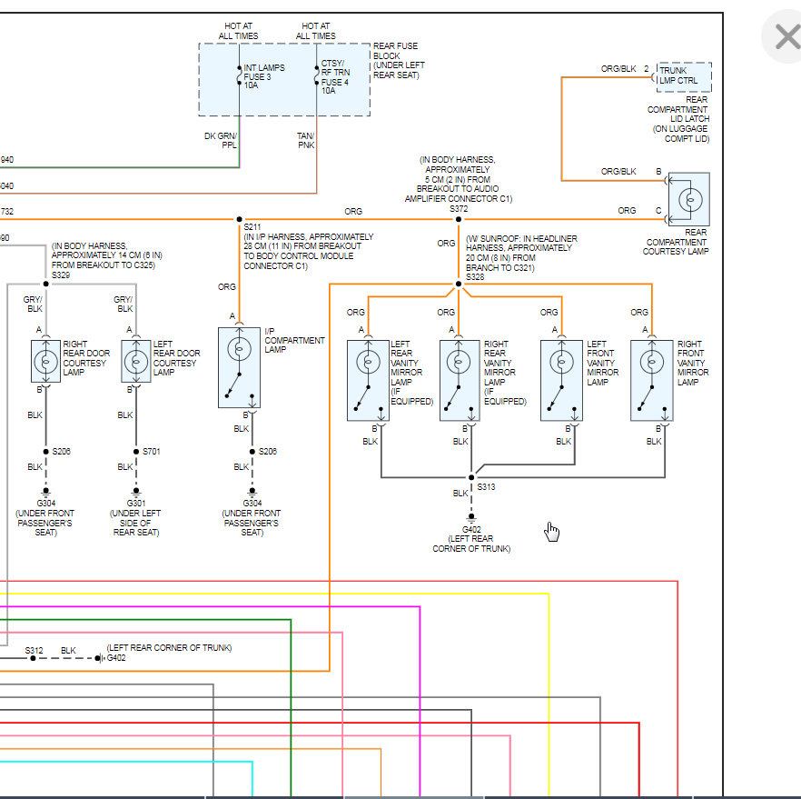
I attached the wiring diagram for the interior lamp circuit. Can you go through each of the lamps and tell me which ones are actually one? This will dictate what the possible cause it.

I suspect this is either the BCM or Courtesy Lamp module causing them to come on and then go off. The way this works is these module have what is called the courtesy lamp control circuit and it tells the lamps to turn off. When the module has an issue it wakes them back up and then they stay on until it gets the sleep command again. Then it happens again.

Let me know and we can go from there.
Was this
answer
helpful?
Yes
No
Thursday, April 2nd, 2020 AT 10:37 AM
Tiny
RSMITH50
  • MEMBER
  • 6 POSTS
Hi and thanks for replying. Yes all the lights in the inside stay on and they go off after 10 minutes and come back on.
Was this
answer
helpful?
Yes
No
Thursday, April 2nd, 2020 AT 11:39 AM
Tiny
KASEKENNY
  • MECHANIC
  • 18,907 POSTS
Okay. That is good information. Here is the specific info on this system and the way it works. As you can see it says when the BCM is "awake" it will supply voltage on this circuit. Which is what is happening with your vehicle.

What we need to determine is if something is keeping the BCM awake or it is the BCM itself that is malfunctioning. If you look at what I highlighted on this attachment you will see if the BCM thinks a door opened or the remote key-less system was activated then it will wake up the BCM.

I think it is the BCM but that is still a guess at this point. Can we unplug the remote control door lock receiver and see if the lights still come on? If they do then I would replace the BCM. If they do not then you have an issue in the remote key-less system that is keeping the BCM awake.
Was this
answer
helpful?
Yes
No
+2
Friday, April 3rd, 2020 AT 7:41 AM
Tiny
RSMITH50
  • MEMBER
  • 6 POSTS
I'm going to check that right now. Thank you.
Was this
answer
helpful?
Yes
No
Friday, April 3rd, 2020 AT 9:28 AM
Tiny
KASEKENNY
  • MECHANIC
  • 18,907 POSTS
Sounds good. I will wait to hear back. Thanks
Was this
answer
helpful?
Yes
No
Friday, April 3rd, 2020 AT 9:35 AM
Tiny
RSMITH50
  • MEMBER
  • 6 POSTS
I unplugged the door lock receiver and the lights cut off and meant to say when I push the alarm button on the fob it doesn't make crup either.
Was this
answer
helpful?
Yes
No
Friday, April 3rd, 2020 AT 11:36 AM
Tiny
KASEKENNY
  • MECHANIC
  • 18,907 POSTS
Okay. I would replace the RCDLR module. I attached the process to replace and reprogram this module. I have not done this specific one before but it appears you do not need a scan tool to program this one.

This will also explain why the horn doesn't chirp either when pushing the button.
Was this
answer
helpful?
Yes
No
Saturday, April 4th, 2020 AT 9:02 AM
Tiny
RSMITH50
  • MEMBER
  • 6 POSTS
Hey, I just wanted to let you know everything is back working perfectly and thank you for your advice I really appreciate it.
Was this
answer
helpful?
Yes
No
Tuesday, April 7th, 2020 AT 8:00 AM
Tiny
KASEKENNY
  • MECHANIC
  • 18,907 POSTS
That is great. Thanks for the update. Glad you got it figured out. Please come back to 2CarPros in the future whenever you need assistance.
Was this
answer
helpful?
Yes
No
Tuesday, April 7th, 2020 AT 8:11 AM

Please login or register to post a reply.