Tuesday, October 3rd, 2017 AT 12:40 AM
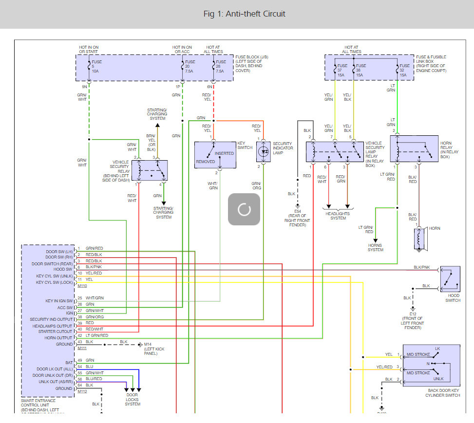
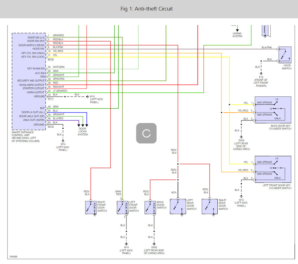
Hello there, a couple of days back my vehicle would not start. The engine was cranking over but there was no engine light on the dash and the immobilizer light on dashboard remained solid. Then I checked for usual problems, changed the fuel pump, crank angle sensor, checked all fuses and tried, no response engine would turn over but no start or engine light on dash. Sent it to the locksmith to get the transponder on key checked he came back with nothing said everything was fine. Then sent it to the Nissan dealer, they said ECU was gone and wanted $3,000.00 for replacement plus no guarantee of result. Someone advised a used ECU, went and bought that, did not work. I then put on the old ECU and the car started immediately without any issues. Did this with an electrician friend who suggested that the immobilizer had be armed. Now I drove the car for one day and am back to square one after spending over $1,000.00. The engine light does not come up and when I start the car the immobilizer light on the dash remains solid while cranking and the car will not start. So I am quite lost and frustrated. Could you please let me know what the problem might be? I had stopped using the remote a few months back as the alarm was going off by itself and was using the key manually.






