Friday, March 4th, 2022 AT 5:06 PM
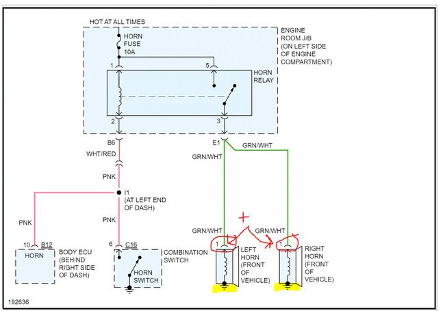
My horn started fading slowly a while ago and for 2 weeks it stopped working completely. I bought two horns from a junkyard and from Amazon and they both wouldn't work after pressing the steering wheel. I noticed that every time I hit the horn, I can hear the relay clicking but the horn doesn't sound. I checked the fuse, and my horn fuse was blown, and I replaced it, but it is still giving me the same results. I don't think it's my clock spring because my cruise control and the horn button itself are working. I just learned that the place where the horn bolts onto is the ground. Whenever I'm testing, I just plug it and leave it on top of the radiator. Will that prevent the horn from working? How will I need to hook up my multimeter to test if the connector is getting power?

