Monday, September 7th, 2020 AT 2:07 PM
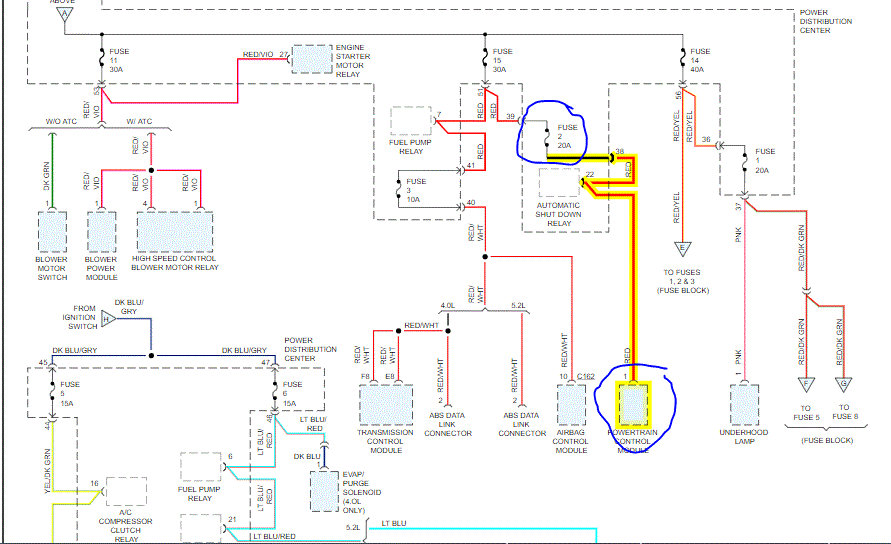
Fuse number 2 (PCM) blew intermittently for a few days causing engine shutdown, now it blows immediately on replacement. Removed ASD relay still blows. With the PCM Disconnected the PCM fuse does not blow, load side of fuse resistance open. Resistance on load side of fuses is .2 ohms with PCM connected.




