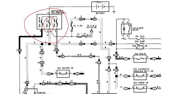
I have to put in a bradnail or move it around every time to start the car (see pic 1). This fuse was missing when we bought the car and my son noticed this little box spliced into the positive battery cable with 3 fuse compartments. The middle fuse was missing and a small copper wire was bridging the gap between two copper flat pieces. The reason he was looking, is because we were having to get jumps everywhere we went because the car wouldn't start. My questions are:
1. What is this fuse called, part number and what is its purpose and why is it so necessary to cause the car not even be able to start?
2. If I replace it with the original fuse will that fix it or will it continue to blow like it does now I think because I have to move the bent brad nail around every time I try to start it again?
3. If it continues to blow, what process do I use to try to troubleshoot and fix it?
This is my only car and I live 20 miles to the nearest Walmart for my food and groceries. None of my windows, radio, ac blower work (don't know where A/C blower fan fuse is, it worked the last time I got car started then turned on A/C button and it blew the blower fan out!). I don't know where to start. Can you help? Thanks so much for trying. Must be hard to do from a distance.
Kristi
Friday, February 7th, 2020 AT 3:47 PM












