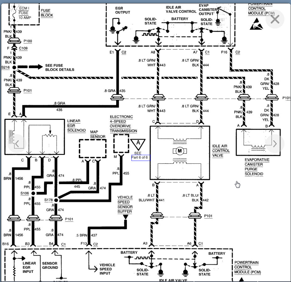
Friday, January 10th, 2020 AT 5:43 PM
My van will run a good while but will shuts off after 20-30 minutes of just running on its own. When I think it's going to run just fine, I hop in, put it in drive and get about a block away then it will shut off and not start for a day or two. New pump and filter. I'm at a loss.








