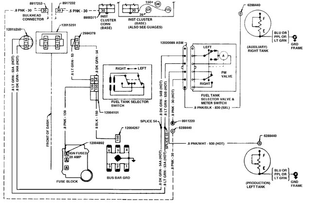
Currently the needle will move from all the way left position to about E "empty" when I turn the power on. But won't move past that.
1 Yes, fuel in left tank.
2. I replaced the switched and it has power.
3. I have 2 - 20 Gallon Tanks.
thank you,
Pat
Sunday, October 22nd, 2023 AT 11:27 AM


