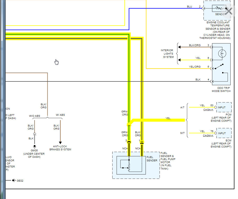
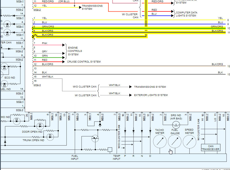
Recently, my vehicle's fuel gauge is sometimes gets stuck at half mark but never to zero mark.
Reinsert the key as well as resetting by removing the battery doesn't work.
The gauge sometimes shows full, sometimes halfway.
Even when the key is removed, sometimes it stuck at halfway or full mark. This is very surprising!
There is about 1 v at the wire of the fuel sending unit which shows voltage is okay. For 12 v, it will be fuel empty. On voltage reading, fuel system is okay.
Why this issue happen intermittently especially when key removed?
Saturday, November 21st, 2020 AT 3:23 AM




