Mods:
* AMC 304 w/ 360 intake and 2bbl carb
* TH400 automatic transmission
* Dana 20 transfer case (with granny gear)
* Dana 30 front axle w/ disc brakes
* Dana 44 rear axle w/ drum brakes
* 1995 YJ tub
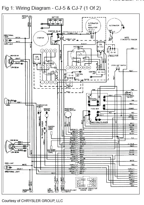
My Nightmare: Wiring
I plan on using the original 1976 CJ dash and the 1995 YJ donor tub was a manual transmission.
What type of wiring harness should I buy: chassis, under dash, complete or universal? Gut it all and start from scratch or should I patch into the existing 1995 fuse box? If I gut it, how many circuits? Lastly, do I need to use the CJ steering column to make this work since it was an automatic?
My concerns are that a painless CJ harness will not take into consideration all that has been changed because I have purchased electrical gauges by Marshall, LED headlights and fog lights, an HEI distributor and electric fans to complicate the matter.
Any Ideas?
Happy
Thursday, January 10th, 2019 AT 5:35 PM




