Wednesday, December 18th, 2019 AT 4:29 AM
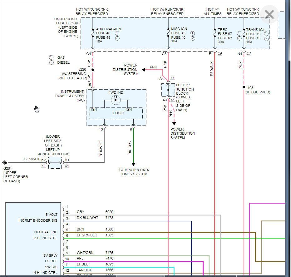
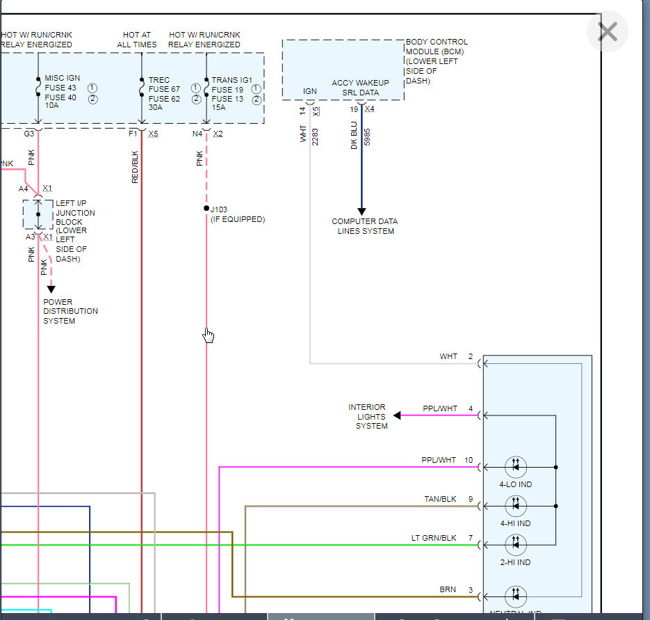
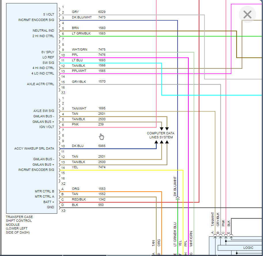
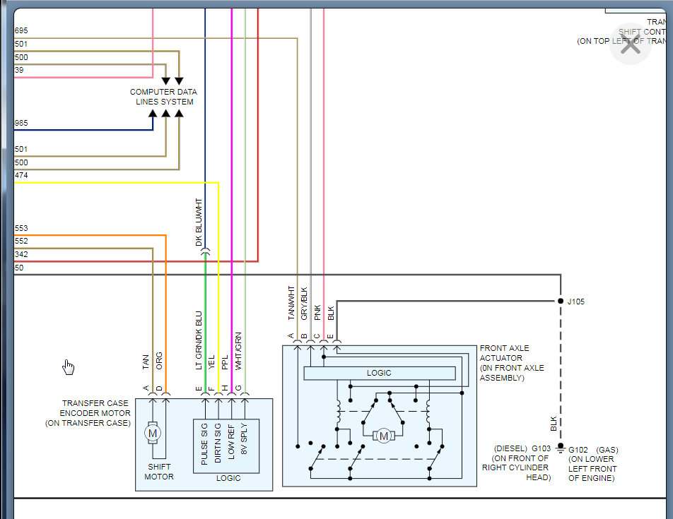
My four wheel drive started messing up and when I would turn the knob to 4wd and a message would pop up service 4wd. I replaced the actuator on the front drive shaft twice, 4wd turn knob, and actuator on the transfer case. When I would try to put it in 4wd the light would flash for about a minute and stay lit on the 4wd selection but it would still not be engaged. Even after changing all these things it still won’t work. Any ideas?


















