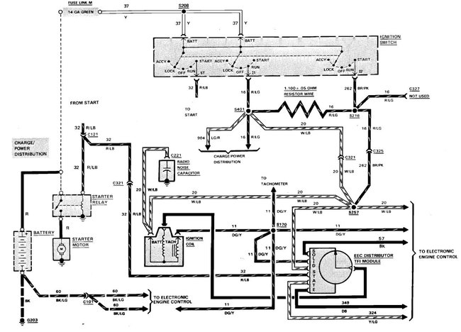
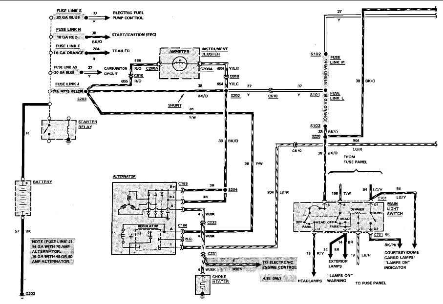
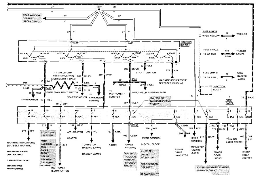
Tuesday, January 1st, 2008 AT 7:17 PM
My truck has constant power even when the key is off. It also will not start the truck either. The dummy lights are on like the ignition is on is what I mean by constant, too. What could be the problem?








