Wednesday, October 21st, 2020 AT 11:48 AM
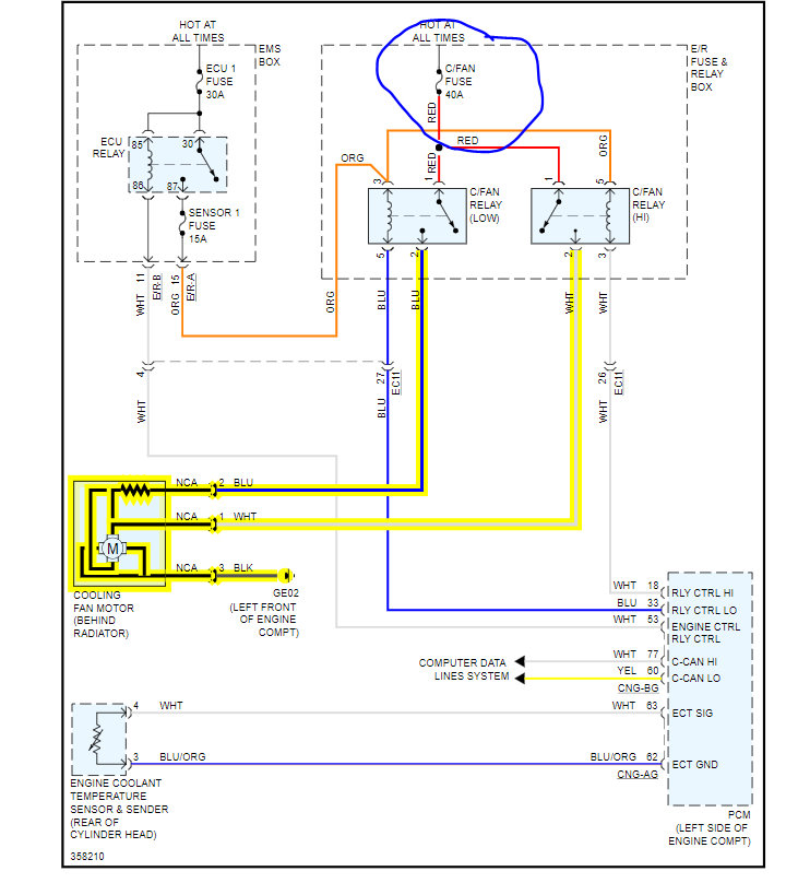
My car is running about halfway on the temperature and I realized that there was a little bit of smoke coming from the grille which made me realize that the fan isn't engaging. Also the hose was is rock hard. So would this be a problem with the thermostat or my fan?
