Monday, November 25th, 2019 AT 2:15 PM
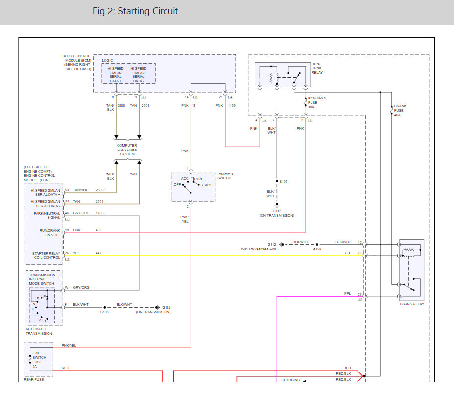
Parked the car to change out the right front turn signal bulb, The next day I went to start the car, nothing. No clicking, no starter. Check fuses and relays and all seem to be okay. Power to the dash, courtesy lights, tail lights and tail signals. No front turn signals or head lights. Had a mechanic friend over and he seems to thing starter solenoid. He might be right, but would that affect the front end lights as well?


















