Sunday, March 8th, 2020 AT 12:26 PM
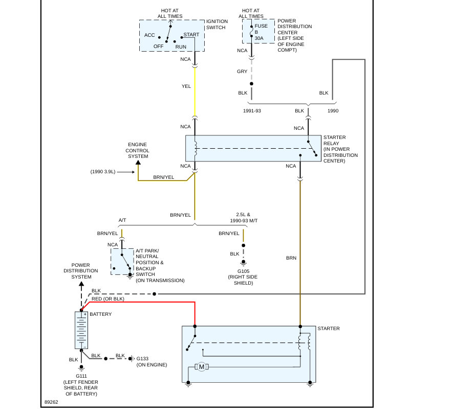
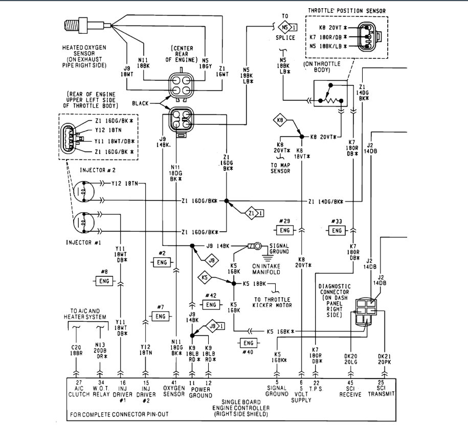
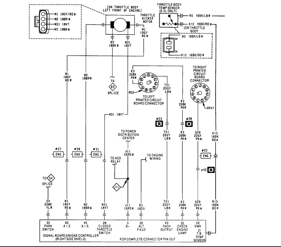
I have no spark coming from the coil. The coil and starter are both brand new. It was my dad's truck an he gave up on it some time ago so the truck has sat for 5 years. I checked the ASD relay and that is functioning properly. I did find a bad splice under the outside relay box on the left hand side of the truck. I repaired the bad splice but still no spark. I have tried finding a schematic online to see if I was getting power to my PCM but I couldn't find anything. I have no check engine light coming on on the dashboard. Maybe the bulb is bad I haven't yet pulled the bezel off to find out. Any help would be greatly appreciated.







