Friday, June 24th, 2022 AT 9:09 PM
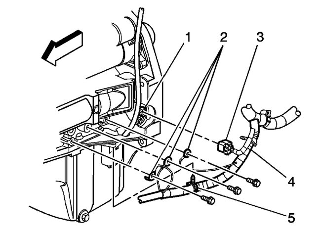
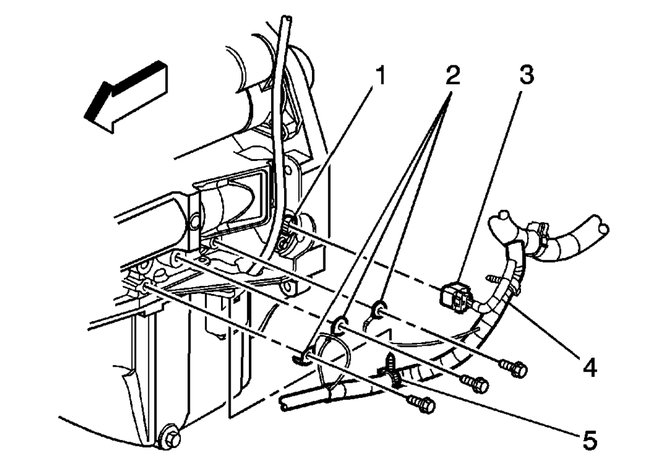
The problem started out while I was driving it felt like the truck went into limp mode. Mash the pedal to the floor, never get more than 2,000 RPMs. Won't accelerate. Stop I turn the truck off and start it again and it's fine. Drive a bit and it does the same thing. Clean throttle body, replace MAF sensor and runs fine for a couple weeks then does the same thing. This time replaced throttle body, runs fine for a few days. The problem starts again and now it isn't idling right. Check fuel pressure 50PSI. Try to relearn/reset throttle body position. Works for half day and same problem. Park the truck. Come back a week later and now it doesn't start. No fuel at the rail. Check fuses and relay. No power to fuse but power at 2 relay pins. But the relay won't engage. I check for continuity on panel for the fuel pump relay ground pin and it has continuity with the ignition key off but doesn't with the key on. I then checked for voltage at the relay ground and got.5 volts. I figured the PCM was at fault so I ordered a new aftermarket and installed it and it didn't fix anything. So, now I'm trying to figure out where the.5v at the relay ground is coming from. I start at the two grounding boxes under the hood on both fenders on either side. I cut out the box and soldered the wires into a copper terminal. I then took 10-gauge stranded copper wire and went from battery negative to fender ground points and bolted the new grounds to fender. Still getting.5 volts. So, I started messing with electrical components like turning blower fan on and off and headlights on and off. With the headlights off the voltage at the relay ground goes from.5 to about.15 volts. Am I just picking up enough stray voltage from something else at the ground pin to cause the fuel pump relay not to engage? I did use a jumper wire to see if the fuel pump would work and I got about 10PSI. I don't know what to do next.



