Monday, July 4th, 2022 AT 12:53 AM
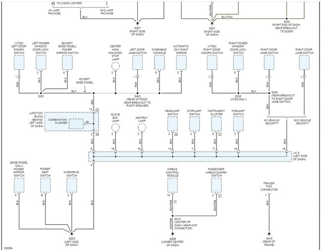
Hello, my problem is the following: I had a problem with the alarm. I'm not sure, but I think it was not from the factory, because I proceeded to eliminate the entire system and put all the old cables as they were, color with color, right there, take advantage and I replaced the air conditioning blower, everything was fine until then. However, when I installed the dash in its place and everything as it was, I began to have an electricity problem, first it was some things like the power lock, power window, fix that, then the buttons got mixed up. If I hit the power window on the driver's side, it does not lower the glass but turns on the high beams. When I try to put the dash the spark boot screw as if the dash had live current, but I have searched everything, and I do not see any wire making contact. The problem I have is that all the diagrams that I have found have the wires of different colors that do not match mine. How can I make sure I have the ground wires where they go correctly?




