Friday, January 29th, 2021 AT 12:10 PM
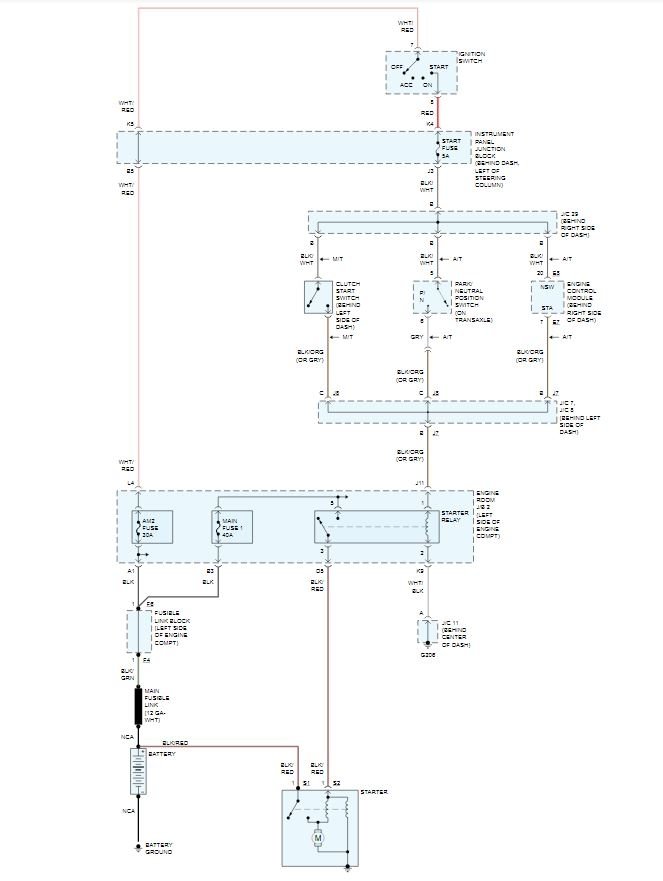
I jump started the car listed above that had a drained battery. I had the jumper cables on wrong polarity for ~30 seconds. After that, I did get the car to start but all of the electronics no longer work. I cannot even see the odometer. When the engine was running, I used an Actron Battery/Alternator tester to confirm the battery was not being charged. I tested the Actron Battery/Alternator tester on a different car and the tool does its job. I suspect a blown fuse simply because nothing is working. Will hunt for that but otherwise would appreciate any suggestions. It was a 100 amp fuse link.









