Sunday, May 30th, 2021 AT 2:37 PM
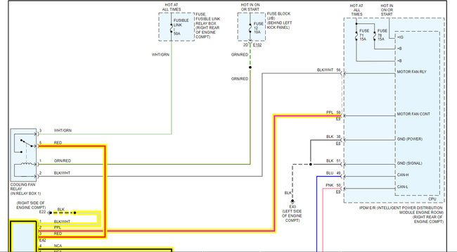
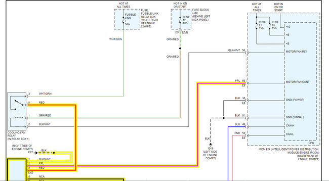
The cooling fans won't come on. Also, recently the cluster gauges have stopped working. It lights up but that's it. When we remove the fan relay and straight wire it from one side to the other, everything works as normal. We have tried multiple new relays but that doesn't seem to be the problem. Please Help!



