Sunday, November 14th, 2021 AT 10:01 PM
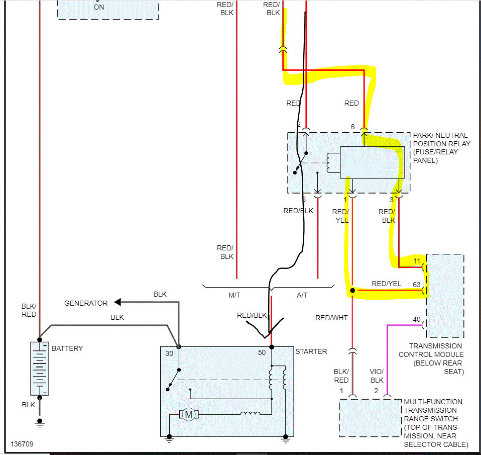
For more than 2 years I've been having alarm issues. Alarm will go off for no reason. I've been disconnecting battery every night and connecting in the morning. For a week now, the car will not start. Measured battery voltage to be 12.6 volts. Heard clicking sound next to headlight switch. I suspect that it is the alarm module. So, I removed the module from the car. Will the car work without this module? Or do I need to get a replacement module? There was an article online to jumper the starter wiring on the alarm connector. When I removed the connector, noticed that the two wires are not present on the connector.






