No power on the inside of the firewall and check engine and oil pressure lights are on

1998 OLDSMOBILE NINETY-EIGHT REGENCY
200,000 MILES • 3.8L • 6 CYL • 2WD • AUTOMATIC
Avatar
DUGTHPLUG
  • MEMBER
  • 3 POSTS
new battery, new cables, ground and positive to starter and to power distributor box at firewall... no power on the inside of the firewall except the check engine and oil pressure lights are on all the time key or not, I have tried everything , I'm at my wits end this problem just...
I'm a mechanic for a living, but working on my own car doesn't pay the bills and i have never been stumped like this before, anybody got any ideas?
Jan 4, 2021 at 5:25 AM
Advertisement
Avatar
ASEMASTER6371
  • CERTIFIED EXPERT
  • 52,796 POSTS
Good morning,

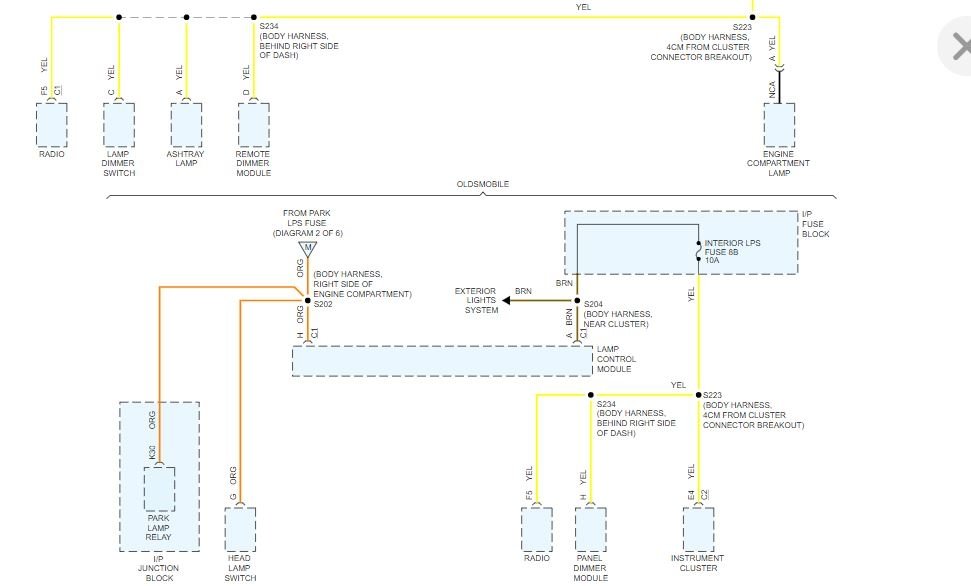
I attached the wiring for the fuse boxes.

Can you confirm there is power to any of the fuse boxes?

Roy
Jan 4, 2021 at 7:23 AM
Avatar
DUGTHPLUG
  • MEMBER
  • 3 POSTS
The main fuse and relay distribution center is up against the firewall, and I have tested all of the fuses and relays, everything has power, I can jumper the starter with a remote start switch and it cranks the engine, and I measured the ohms on the key at .523 and I bypassed the security/chipped key with the a .520 ohm resistor and then this morning, just for the heck of it, I plugged my code reader into the OBD2 port under the dash and all of the sudden I have power again inside the car. but only when the code reader is plugged in, so I'm thinking I'm on to something but I'm not sure yet what it is. this all started a month or so ago when I was dropping off a friend at the bus stop and I reached down and turned on the emergency flashers and the car shut off and it hasn't run again since. I'm going to go out now and check the fuse boxes inside the car and the wiring coming out of the bottom of the steering column.
Jan 4, 2021 at 10:58 AM
Advertisement
Avatar
ASEMASTER6371
  • CERTIFIED EXPERT
  • 52,796 POSTS
Okay, while you are there, wiggle the wires around the E brake and the data link connector.

Roy
Jan 4, 2021 at 11:23 AM
Avatar
DUGTHPLUG
  • MEMBER
  • 3 POSTS
I had a nice new cable going to ground right on the engine block... this car got in a little fender bender a week or so before this problem happened, and after closer inspection (got hit on the pass side front) the factory ground sits right up behind the battery and it got cut when the car got hit so I had no battery to body, the engine is rubber mounted... so after my OBD unit had been plugged in for a few minutes the connector was hot (trying to seek a ground through the data link connector) so I put a nice new body to battery cable on... problem solved! very minor fender bender, didn't think it may have messed up the factory ground. thanks for your help, maybe this read will help someone out with a similar problem...
Jan 4, 2021 at 3:58 PM
Avatar
ASEMASTER6371
  • CERTIFIED EXPERT
  • 52,796 POSTS
You are welcome.

Thanks for posting the resolution.

Roy
Jan 4, 2021 at 4:01 PM