What should I do to troubleshoot or find the problem? Be specific.
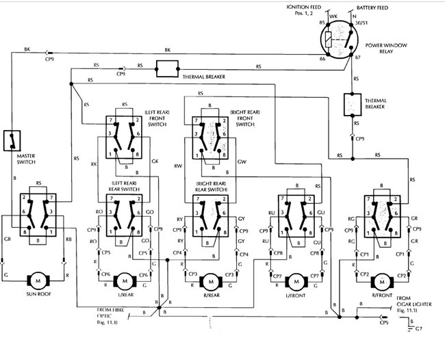
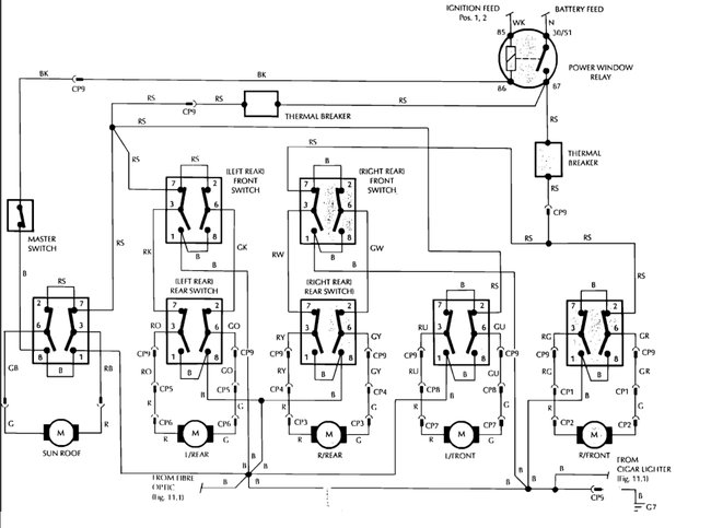
Which fuse would operate the windows, and location?
I am not sure what or where the relay would be, per some of the comments read.
What is the difference in V12, V6?
Monday, August 21st, 2017 AT 4:24 PM








