Sunday, September 17th, 2023 AT 11:31 AM
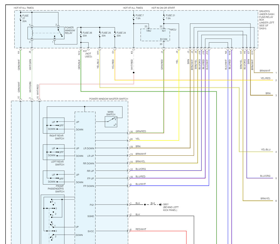
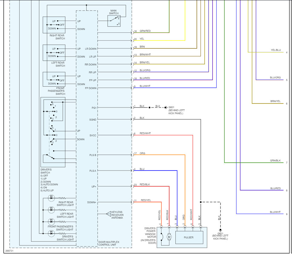
My driver's window still works. The fuses are good however I do not seem to have power in or out on them in the fuse block. When I push the window controls each window has a clicking noise. All fuses are good none are burned out. On some other posts I see you have said it sounded like a typical main switch problem. Does the power go through the main switch back to the fuse block? I pulled the switch out and looked at all the contacts, I did not see any corrosion. Please advise. Should I just order a new main switch?







