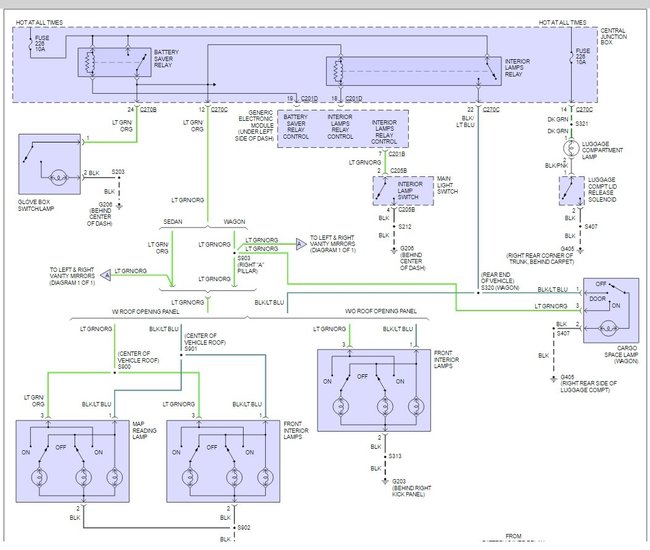
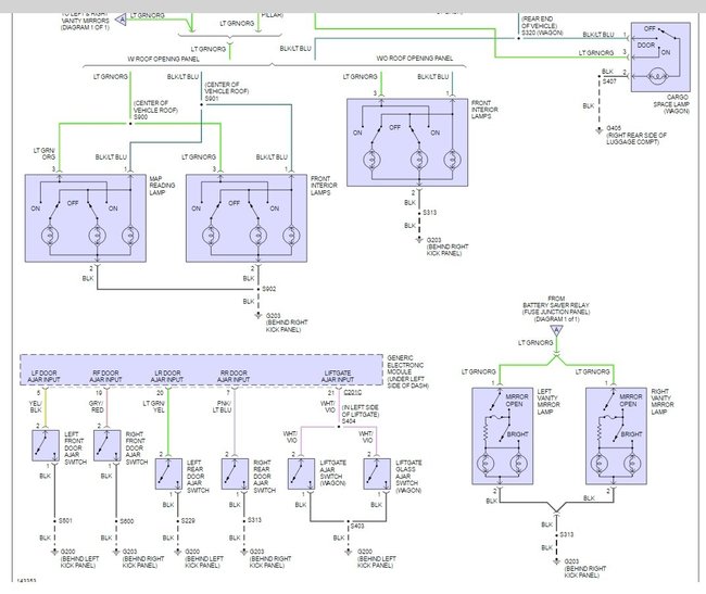
Monday, January 30th, 2017 AT 4:05 PM
My dome lights go off when I get out but come back on later. I look out and they are on again and I cannot find the fuse to pull it out. I think it has something to do with the alarm system, because when the red light is on inside it does not do it. Please help me.



