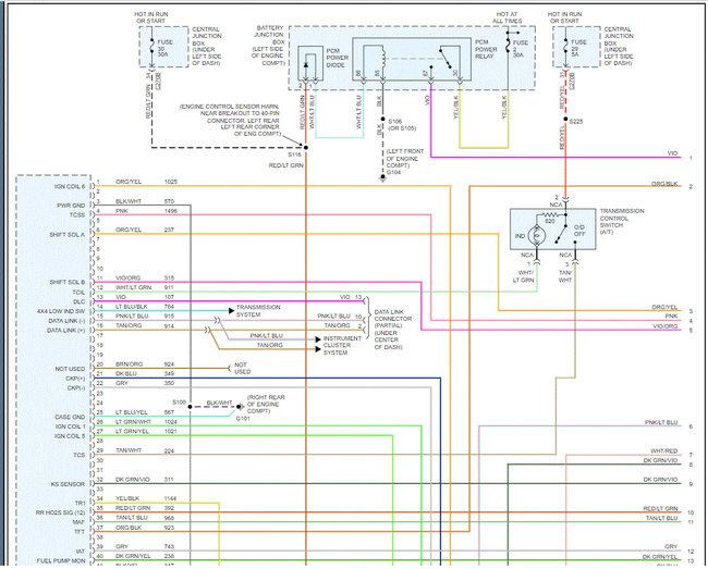
During that process one of three PCV connections (not 1 going behind IAC) was blocked completely. Replaced entire t. Body assy. With one pulled from salvage yard. Long story short, after T.B. Swap I got a crank no start for several days with no real indication of why it finally began starting. A month or so later, I got an idea about where a coolant leak that mainly showed by not holding a vacuum on coolant system. That being the intake manifold plenum on the coolant passage. Back to the salvage yard for an intake manifold. Replaced it, all COP’s, spark plugs, gaskets etc. That was 4-5 weeks ago and ever since it’s Crank/no start. I’ve done lots of testing, bought many tools. This is what I know-no spark at all, only 1 initial pulse on f. Injectors (all 8) when cranking. Fuel pump works. Replaced CKP with no change. I feel like it’s an electrical issue in the CKP circuit. Can anyone tell me what voltage should be produced at harness connector. Also, CKP sensor wires (2) on my sensor, are shielded). How does this impact typical circuit tests?
Tests so far:
*Spark (none).
*Fuel injectors-1 pulse only on noid light when engine is cranking.
*COPs-battery voltage present on all.
*CKP-with v. Meter (-) test ld. On(-) battery post and checking both wires at harness connector with (+) test ld. I got 1.54v on each terminal in conn. With(+) test ld. On battery (*) and probing CKP connector at harness w (-) test ld. I got 9.78 @both terminals. Battery at this time was at 11.48v
*Battery-checked for voltage on ground as. (None found).
*TPS- checked (+)signal wire and (-) gd. Wire with closed throttle got.9v. Voltage increased smoothly as throttle slowly opened to 4.01v. Next checked ref wire by probing it w (+) ld. And probing grd. With (-) ld. Reading- 0.4v.
Only other thing I can think to mention is that the CKP&CMP are both 2 wire sensors and both gave shielded wires.
Any help would be appreciated
Monday, March 15th, 2021 AT 9:49 AM














































