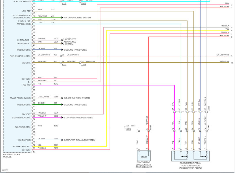
Friday, October 13th, 2023 AT 3:04 PM
5V Reference Circuit 2 code is displayed. Vehicle will periodically display reduced speed (limp mode). Looking for troubleshooting help in solving this issue. Wiring diagram would be helpful and what sensors to check off this circuit. Thanks in advance.


















