Sunday, May 24th, 2020 AT 11:48 AM
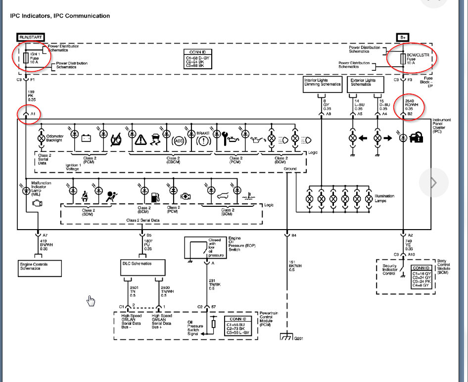
I had to replace the radio harness after some did a very poor job putting back in the factory radio before it was sold. I rewired the harness and all of a sudden my cluster stopped working. I replaced the lights and bought a new cluster. My computer gave me a code of p6050 and my speakers had no sound. Obviously there is a wire break somewhere just not sure where to start looking.


