Friday, August 18th, 2023 AT 9:26 PM
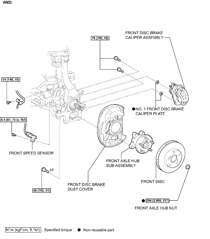
Recently I replaced two-wheel speed sensors in the front of my car after the ABS light came on. Afterwards, though, every time when I first start driving my car it makes this clunking noise and feeling that goes away after 2-3 seconds and doesn’t occur again while driving. It only happens when the car has been turned off and has stopped moving after a while. I know it’s not my tires as it did it with my old ones too and just replaced them. Also, my car is AWD.
















