Tuesday, June 16th, 2009 AT 7:24 PM
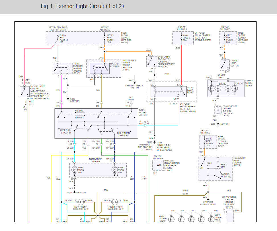
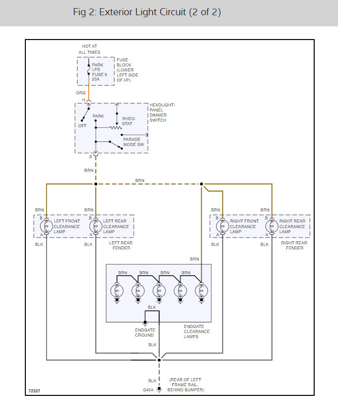
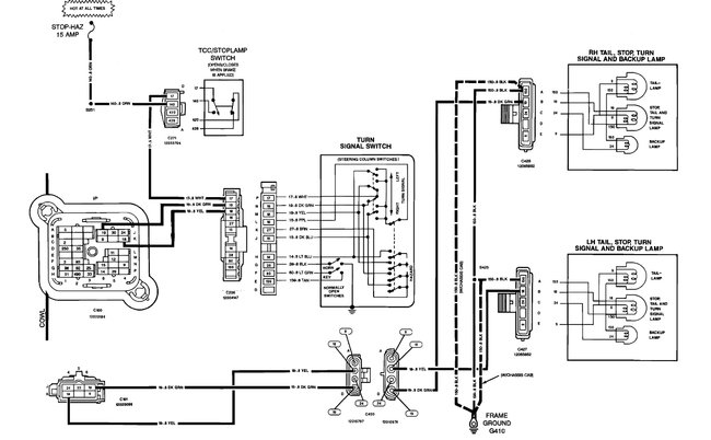
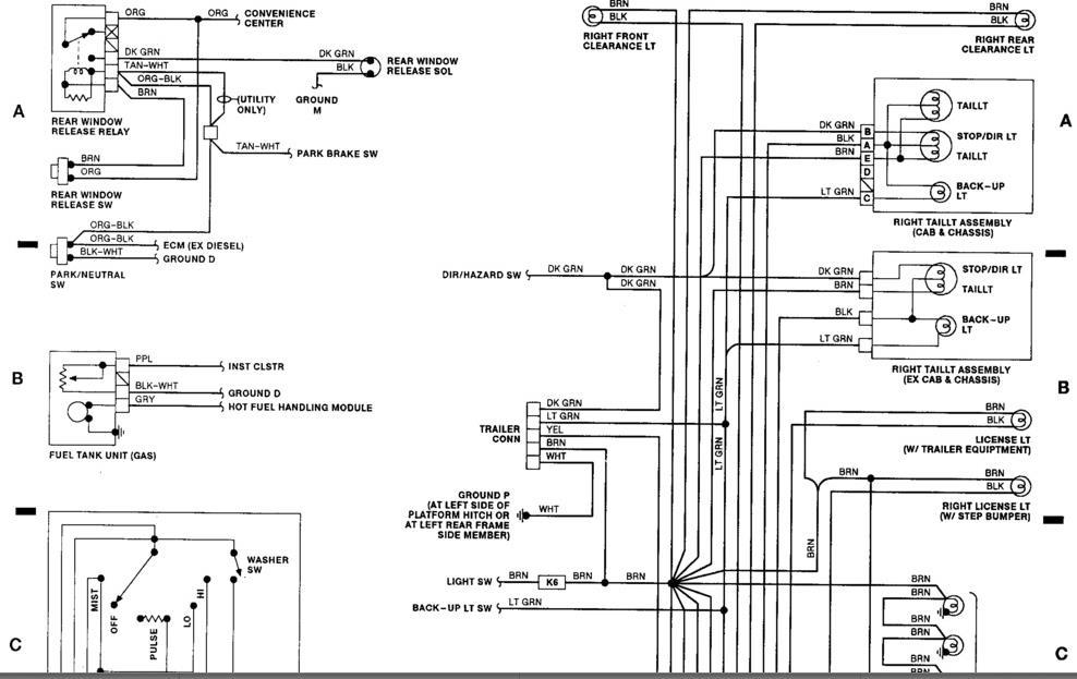
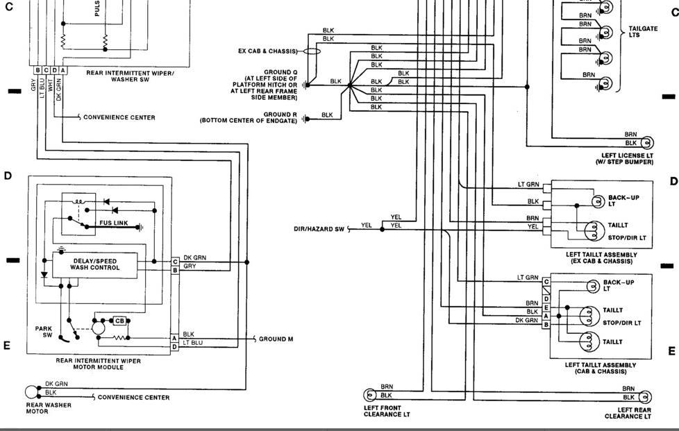
Left rear blinker/brake light wont work. New bulb did not work, another new bulb did not work. Switched rear bulbs - left wont light right still works. All other blinkers work. Meter on left rear socket shows about 11volts, same on right. Meter shows pulses of blinker on both sides. Put red probe of meter on contact inside socket and touched outside socket or inside and it reads about 11 volts. Put wires of new socket on contact inside socket and ground and would not light on left but same procedure works on right. Crimped socket a little to hold bulb tight - no go. Strange problem --- what do you think?






