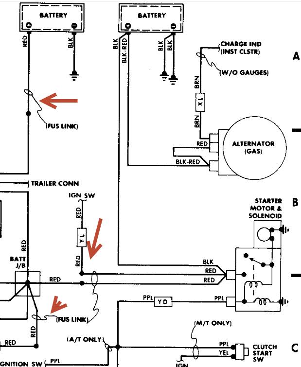
1989 Chevy Silverado V8 Two Wheel Drive Automatic 122, oo miles
I replaced the fuel pump relay then the oil sending unit the two wire one. The fuel pump has two quick sounds still will not crank after tring for a while it will crank but will not run long sounds good while running thanks
Friday, September 5th, 2008 AT 3:06 PM





