We have monitored when the stalling happens, and it seems to be not/less related to heat (happens in 35 but also 20-degree weather). We noticed that it once happened often on a gravel road, the next day not at all, the next day it happened while driving over a bumper after the car had literally been started 2 minutes ago. Therefore, we believe it might be related to movement rather than temperature.
After stalling, it can sometimes start right away, other times it’s required to try multiple times to get it started again.
It also seems like after replacing the melted fuse, the problem will not occur for a longer time.
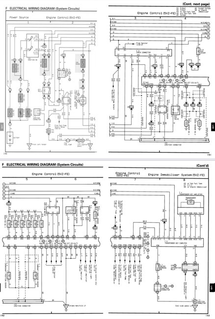
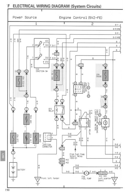
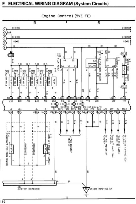
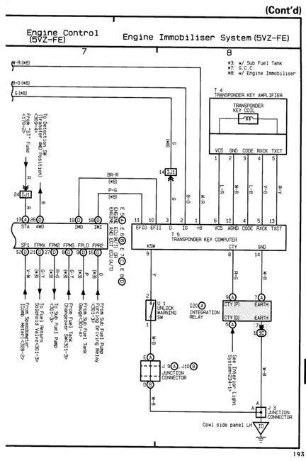
Our assumption is therefore a circuit short but we do not know where is it coming from. Any ideas? Mechanics have so far not been very helpful.
Monday, January 9th, 2023 AT 5:26 PM









