car heater not heating up?

2014 TOYOTA REVO
60,000 MILES • 2.4L • 4 CYL • 4WD • MANUAL
Avatar
AHADI222
  • MEMBER
  • 10 POSTS
my vehicle not heating up and when i check no heating button. any assistance?
Nov 1, 2021 at 12:42 AM
Repair Safety Notice: This information is for general instructional purposes only. Vehicle repair can be dangerous. Verify all information, follow manufacturer service procedures, use proper tools and safety equipment, and consult a qualified repair shop when needed.
Advertisement
Avatar
KASEKENNY
  • AUTOMOTIVE REPAIR CONTRIBUTOR
  • 18,907 POSTS
If the heating button is not working, then we need to start with that, however there are other things that can cause this, so here are some guides that will help with this:

https://youtu.be/SNRb6pSwYuU

https://www.2carpros.com/articles/car-heater-not-working

Basically, if when you press the heat button, and it does not turn the heat on then the module is most likely the issue.

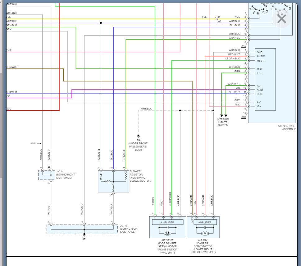
We do not have a manual on this vehicle as it is not offered in the USA but here are the diagrams for the sister vehicle that is offered here.

You will see there is a heater relay, and we need to check the operation of this relay and if it is not the issue then the control assembly needs to be replaced.

https://www.2carpros.com/articles/how-to-check-an-electrical-relay-and-wiring-control-circuit

Please see the wiring diagrams and let us know what questions you have.

Thanks
Dec 30, 2021 at 5:25 PM
Advertisement