Friday, May 26th, 2023 AT 10:12 AM
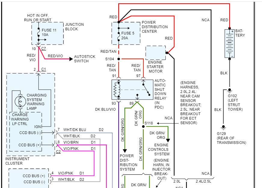
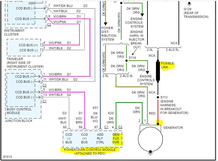
This car has no security system. The car started as it normally does and I drove about 5 minutes. Upon trying to restart (engine still warm) got nothing. No dash lights, not even the digital odometer. Upon jumping it, it started and when disconnected the engine RPM went up and down. All electrical systems have gone haywire. Gauges jumping up and down. Engine warning lights and check engine light. Rear window defrosts going on and off. Headlights dim at about 2 second intervals. A random transmission code was thrown I cleared it and it didn't come back. When connecting a trickle charger, the odometer will illuminate but any load applied will turn that off. What I have done: Checked fuses and there is power in the distribution center and no bad fuses. Swapped relays around. Cleaned all grounds I can find, none found corroded. Found 4 wires with deteriorating insulation going to transmission. Soldered in new wires nicely. Still same condition. Removed alternator and checked brushes looked okay and reinstalled. P.S. Never solved the chugging starting condition but it's been that way a couple years and sure it's not related. Never failed to start. Could a short in the alternator cause this?




