Tuesday, July 28th, 2020 AT 7:34 PM
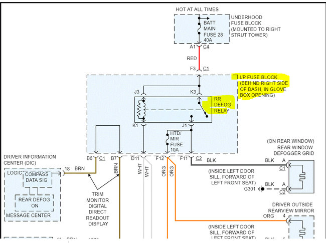
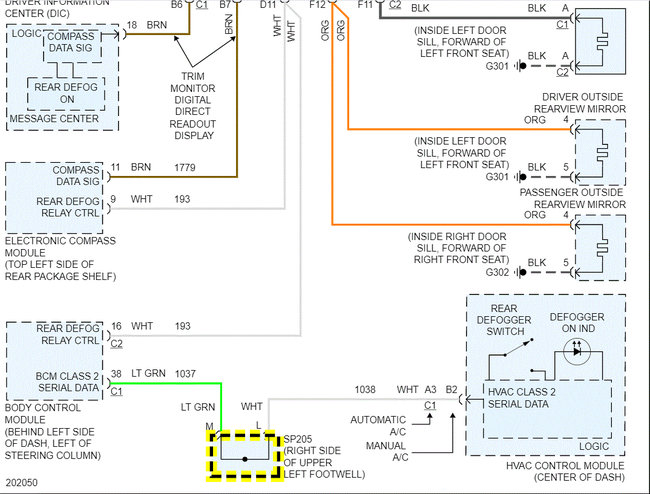
My rear defogger hasn't worked since I got the car, and I'd like to test/replace the rear defogger relay. The bottom half of the diagram in the owner's manual and on the instrument panel fuse block cover shows a fuse and two relays (one of which is for the rear defogger), but I only see the fuses/relays in the top half of the diagram. Does the black circle on the diagram mean something in particular? I don't know what I'm missing and I hope someone can point me in the right direction. Thanks.








