Since the humidity sensor was the only P-code, I swapped out the sensor but the car will not turn on.
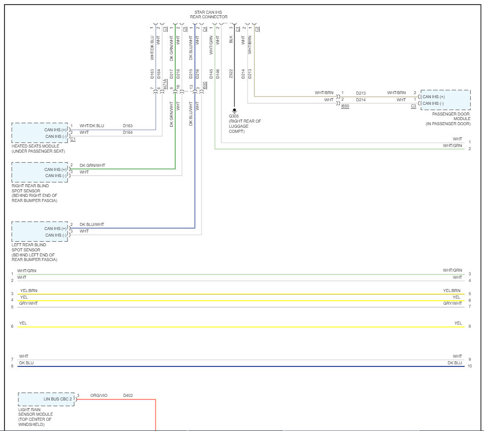
I also have tested the CAN Bus system with a millimeter. The battery is supplying about 12.6 volts and the resistance is 60ohms (59.8). However, the voltage and ohm readings in the CAN high and CAN low lines is 0 which leads me to believe that I have a ground to short on the CAN lines.
I would appreciate any help as maybe there is something I am missing. I think a CAN Bus wiring diagram would be helpful to continue to diagnose but I have been unable to find one.
Monday, August 14th, 2023 AT 3:35 PM

















