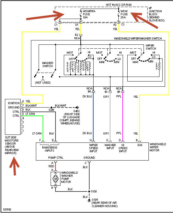
My wipers quit working. I checked the fuses which were okay. I made sure the multifunction switch was working properly for all other functions on it and it was. I pulled the wiper motor. Connector showed overheating and smelled like it. Could not turn gears by hand. Figured motor froze. Checked voltages at corrector. They are good. Got used motor assembly from junk yard. It would not work. Purchased rebuild assembly from Kragen's. Worked initially after install. Tried it with washer while driving and it quit working. Purchased rebuilt assembly from Auto Parts Warehouse. Did not work. Kept trying it and one time got a loud noise from motor while driving but no blade movement. Now, nothing. Did I just happen to get three bad units or is there something else wrong? I manually moved the bar and wipers. Could not find a problem. Worked with an online GM certified mechanic and he is stumped. Went to my mechanic and he is stumped as well. He thinks I should go with new motor assembly which runs $600.00 instead of the $120.00 for rebuilt assemblies. He said it is generally the control module that goes on GM cars. Have looked at getting a new card for last assembly but have not ordered it. Can you help? (I am not sure what kind of donation is "correct". If I am too low please let me know) I have been fighting this problem for nearly two weeks. I have to get home to Washington from California ASAP. When I removed each assembly I checked for burning, found none, and checked that the gears would still turn, they did.
Saturday, February 14th, 2009 AT 12:38 PM




