Tuesday, February 16th, 2021 AT 2:40 PM
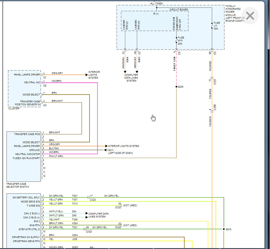
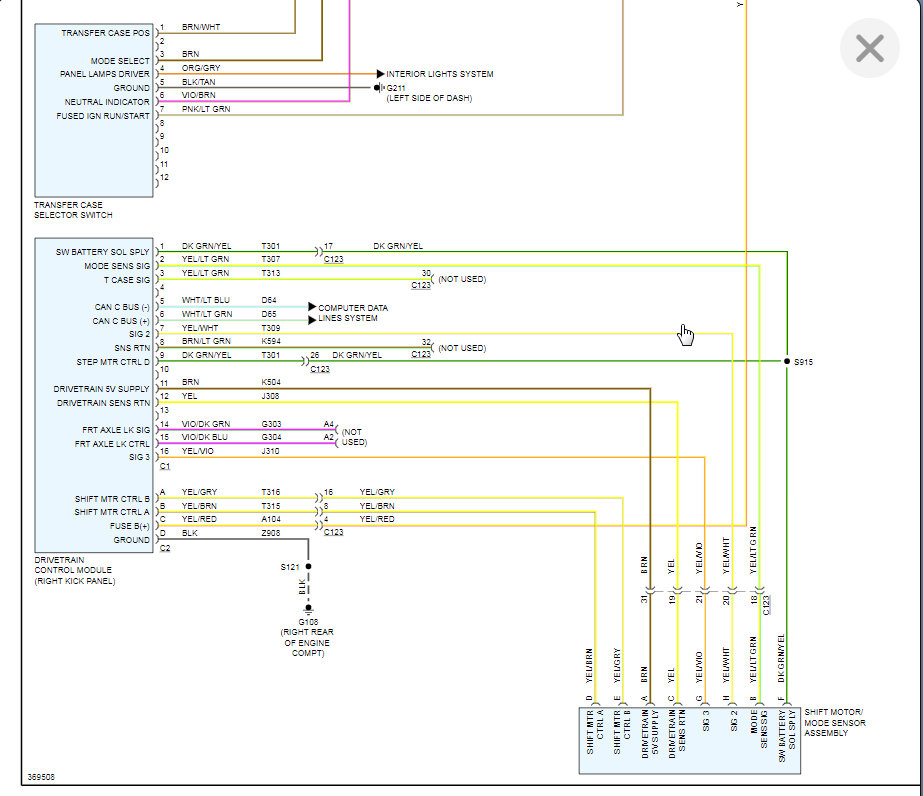
Back in 2018 the front driveshaft on my truck broke in two while driving on freeway. Selector was in 2WD at the time. Had to remove shaft on side of the road. Been without 4x4 ever since. Anyone ever seen this happen before? Now I'm wanting to have shaft rebuilt but not sure what caused this failure. Currently no lights at electronic selector knob or selector status on instrument cluster. Erased Serv4WD light by hooking positive and negative battery terminals together. No other codes. Fuses all good suspect short in wiring. Any help much appreciated.







