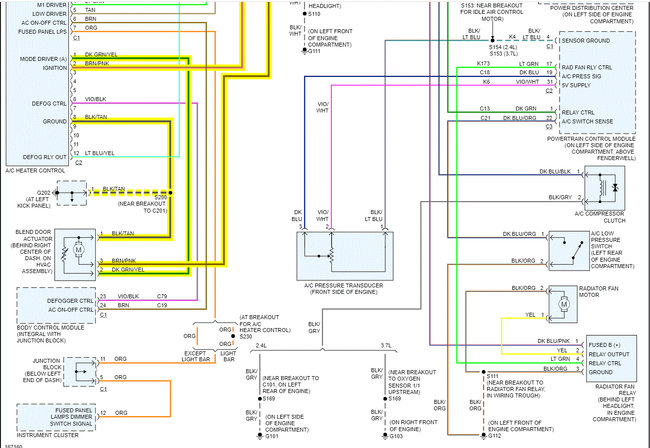
Customer brought this vehicle in with a no heat issue. Customer already did the pita job of replacing the heater core but changed nothing. I notice that the air blows only out of defrost and gets lukewarm. So, I suspect a blend door issue. The actuators on the top and side of the HVAC assembly do nothing, no spinning or clicking. The only thing that works is the fan speed on the control unit. Fuses #25 and #29 are good.
Thursday, November 4th, 2021 AT 7:18 PM






