Wednesday, February 10th, 2021 AT 1:13 PM
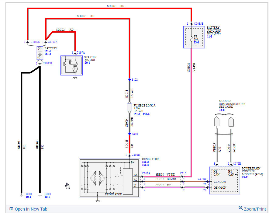
Battery light came on and the battery tested bad so I had it replaced. I was good for a few days and then the battery light came on again so I had the alternator tested and it was bad, had that replaced (remanufactured). While the alternator was being replaced they noticed the ground wire was corroded and the power wire from the alternator to the battery was too hot to even touch. Both wires were replaced. The alternator fuse was checked and it's good. Battery light is still on. When returning the core, I had the new alternator and battery tested and both were good. Voltage output over 14. What do I check from here? I've seen where it could be related to the PCM. Is there any way to test that? Are there any codes that should have been cleared after the repair?


