Wednesday, August 30th, 2017 AT 8:48 PM
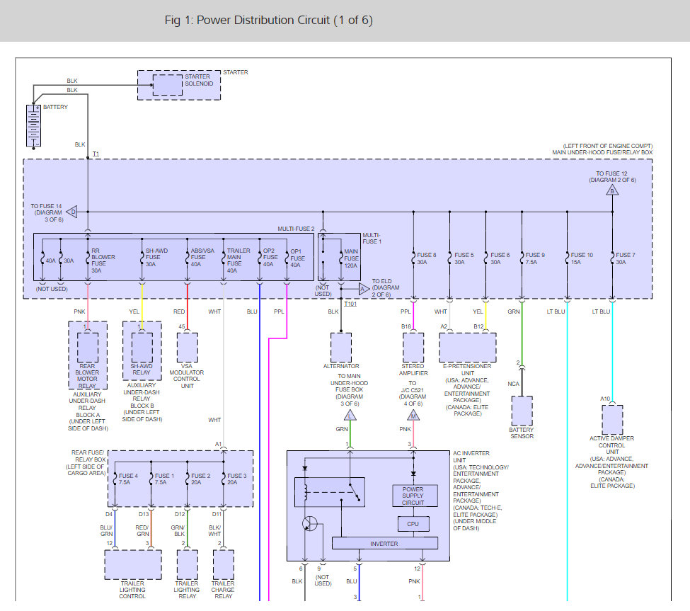
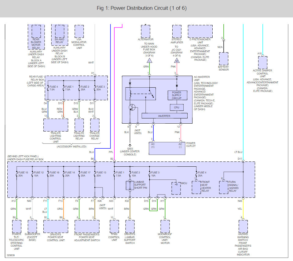
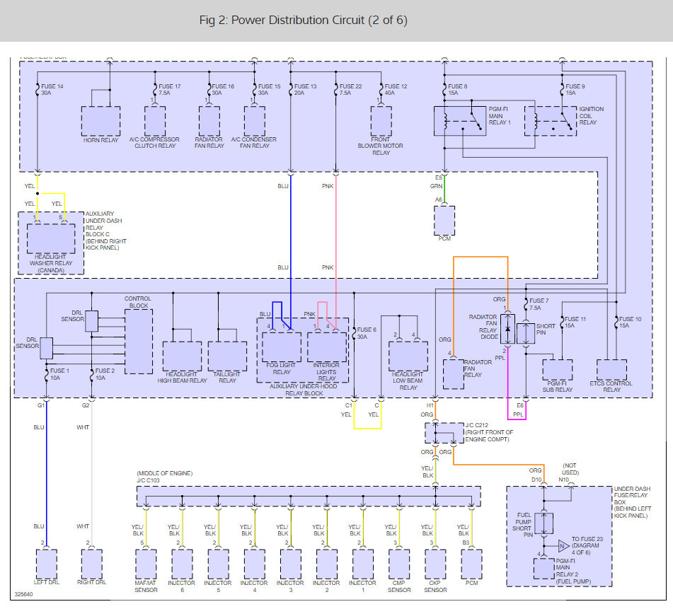
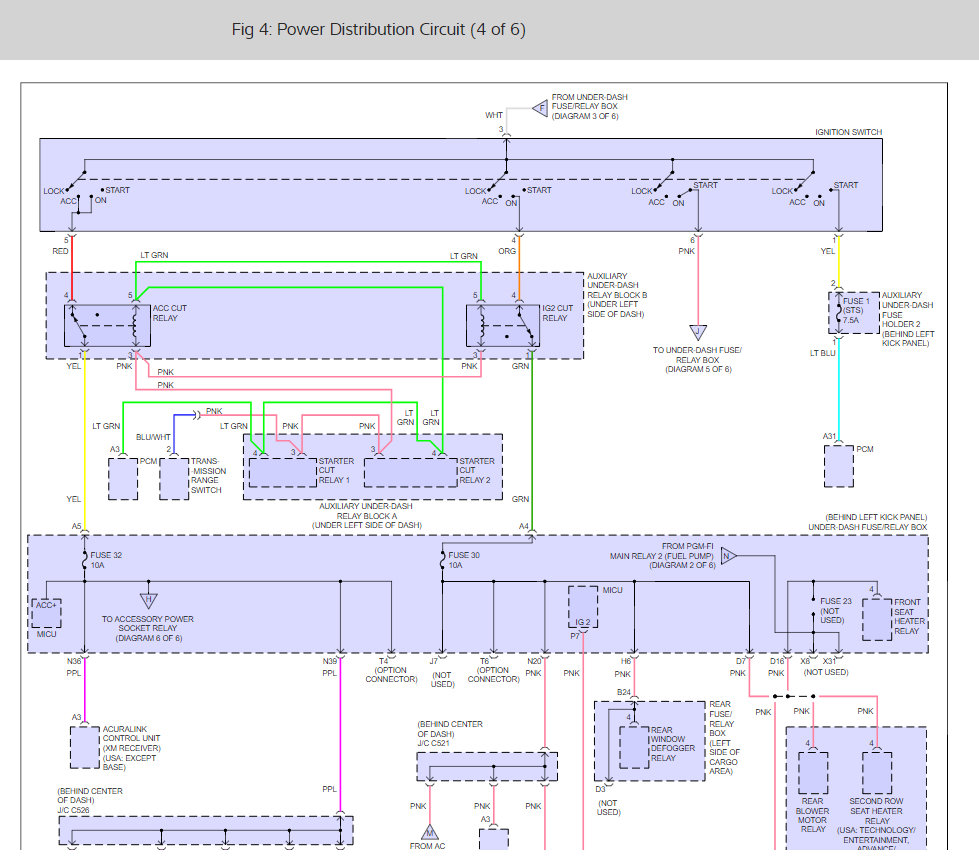
I have a current draw of 0.5A caused by the #4 fuse (under hood by the battery) or the #7 fuse (under the driver's dash) which point to the backup circuit. What should I be checking? I have already checked the hands free link or A/C clutch relay, so they are not the issue. I have no navigation system either.














