Saturday, March 2nd, 2019 AT 12:32 PM
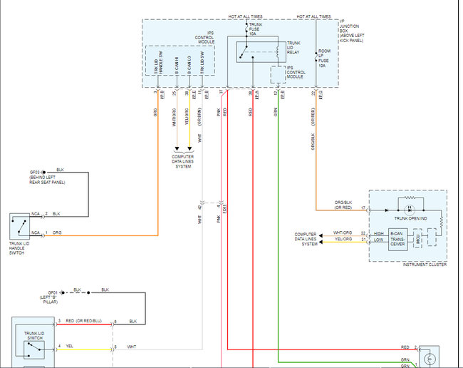
Hello! I’m experiencing major difficulties with accessing my Optima hybrids battery in the trunk. Unfortunately, being all electric, the trunk can not open with the key fob. I do see there is a emergency trunk release wire behind the back seat drivers side, but tugging that didn’t even open the trunk as it should! Is there any other way to get the trunk open manually? Thanks











