Backup camera not working after installing after market stereo

2014 TOYOTA FJ-40
36,000 MILES • 6 CYL • 4WD • AUTOMATIC
Avatar
FEBBY WAP
  • MEMBER
  • 23 POSTS
So I bought the Pioneer MVH- 4400NEX and I wanted to wire the factory backup camera to the aftermarket stereo. I cut three wires from the side panel where the airbag is and crimped them together. I then connected the RCA cable to the radio. When I put the car in reverse the radio changes to a black screen so it registers that the car is in reverse but the backup camera video does not show. It’s just a black screen. I did this on a 2014 FJ Cruiser.
Mar 20, 2019 at 6:16 PM
Advertisement
Avatar
STRAILER
  • CERTIFIED EXPERT
  • 53,855 POSTS
Hello,

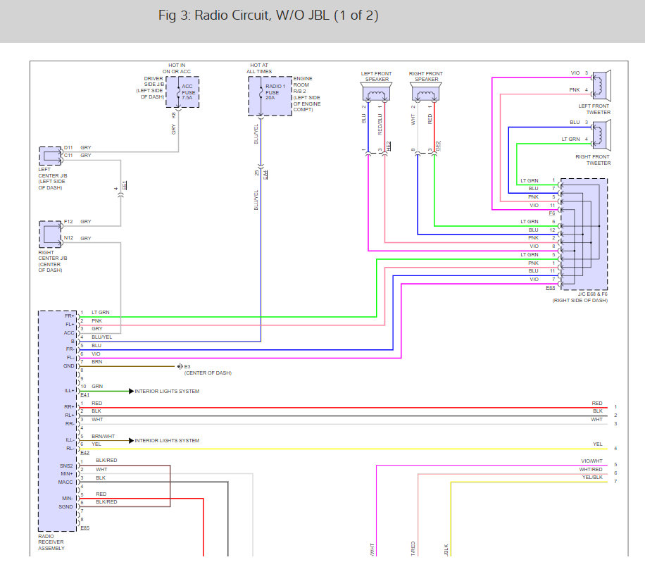
Can you check for power at the IG1 fuse at the drivers side fuse panel. Here is a guide to help and the backup camera wiring diagrams so you can see how the system works and the fuse location:

https://www.2carpros.com/articles/how-to-check-a-car-fuse

Check out the diagrams (below). Please let us know what you find. We are interested to see what it is.
Mar 23, 2019 at 4:11 PM
Avatar
FEBBY WAP
  • MEMBER
  • 23 POSTS
But when I plug the connector back into the factory mirror and I put the car in reverse the image still comes up on the factory installed mirror.
Mar 23, 2019 at 4:40 PM
Advertisement
Avatar
STRAILER
  • CERTIFIED EXPERT
  • 53,855 POSTS
That's a good sign it means the camera is working. Did the previous radio have the capability of the rear camera or is this a new feature you are installing? Here are the radio wiring diagrams and a guide to help make sure you have the wiring done correctly:

https://www.2carpros.com/articles/how-to-check-wiring

Check out the diagrams (below). Please let us know what you find.
Mar 25, 2019 at 10:09 AM
Avatar
FEBBY WAP
  • MEMBER
  • 23 POSTS
The factory stereo did not have the capability of the rear view camera it is a new feature I am trying to install with this new aftermarket stereo.
Mar 30, 2019 at 6:34 AM
Avatar
STRAILER
  • CERTIFIED EXPERT
  • 53,855 POSTS
It might be a signal interpretation issue. See if the it will work with just the radio and not the mirror if you can?
Mar 30, 2019 at 11:20 AM
Avatar
FEBBY WAP
  • MEMBER
  • 23 POSTS
And does anyone know how to retain the factory USB port after installing the new aftermarket radio? I did buy a PAC USB-TY1 Toyota/Lexus OEM USB port Retentions cable and it doesn’t fit. Any ideas how to retain it?
Mar 31, 2019 at 8:08 PM
Avatar
STRAILER
  • CERTIFIED EXPERT
  • 53,855 POSTS
Can you upload images of the connections in question?
Apr 1, 2019 at 10:16 AM
Avatar
FEBBY WAP
  • MEMBER
  • 23 POSTS
The blue is the factory plug and the other picture is the aftermarket harness I bought that doesn’t fit.
Apr 1, 2019 at 6:22 PM
Avatar
FEBBY WAP
  • MEMBER
  • 23 POSTS
This the the aftermarket harness I bought to retain the factory’s USB port.
Apr 1, 2019 at 6:22 PM
Avatar
STRAILER
  • CERTIFIED EXPERT
  • 53,855 POSTS
It looks like you got the wrong harness. do they offer an updated connector?
Apr 2, 2019 at 11:27 AM
Avatar
FEBBY WAP
  • MEMBER
  • 23 POSTS
I’m not sure and I don’t know where to get the correct harness. Do you know where I could get it or possibly send me a link? Thank you.
Apr 2, 2019 at 4:46 PM
Avatar
STRAILER
  • CERTIFIED EXPERT
  • 53,855 POSTS
I'm not sure where to get it have you tried ebay? I would also call the manufacturer of the radio to quiz them on the connector.
Apr 3, 2019 at 10:08 AM