Friday, June 23rd, 2023 AT 1:03 PM
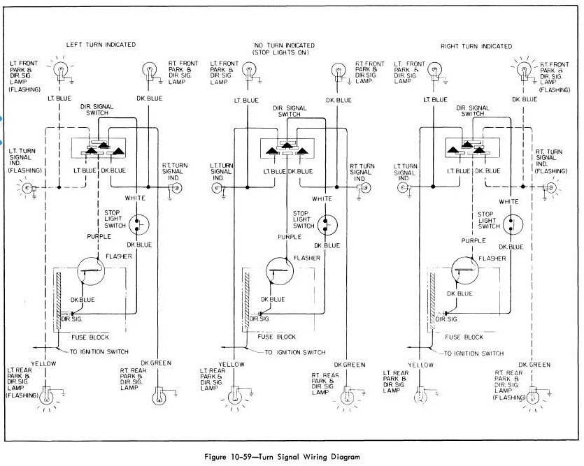
I have the vehicle listed above, 4 door. The front turn signals were flashing on both sides on either left or right turns. I don't believe the parking lights were working, and the rear turn signals/brake light are working properly. When I pulled the pass lens to check the bulb, I found that some had replaced the front sockets with newer ones that have 3 wires. The center one is the ground, and if I disconnect one of the outer wires, the front turn signals work correctly, but no matter what I do, I can't get any front parking lights, but I seem to remember some of the early 60's cars not having front park lights.


