Monday, July 29th, 2024 AT 10:05 AM
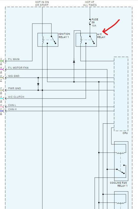
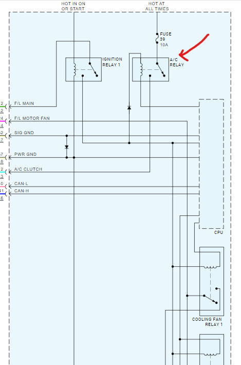
We had the compressor replaced, it has been charged and has the required pressure, but it will not blow cold air. The magnetic clutch kicks in and out a couple of mechanics have said they believe it is the relay, I purchased a new relay from Advanced Auto Parts store but cannot find the location of it. I have checked the three locations for the fuses and relays. The only one that does not list what the relays are is located in the side of the driver's side dash. Can you please help me with this issue?




