Wednesday, October 20th, 2021 AT 1:45 AM
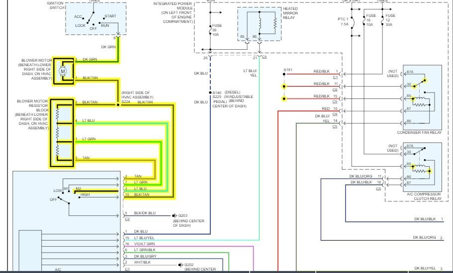
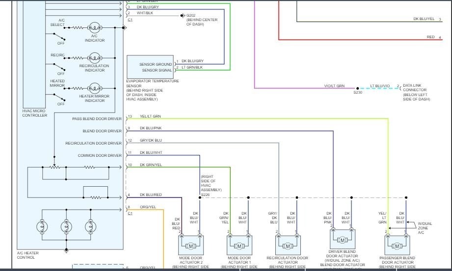
My trucks issue is that the A/C was working just fine then one day was running the A/C and the fan stopped out of nowhere would shut the truck off. Wait 15 seconds turn it back on it would work, but same issue would work for 20 minutes then stop but as that problem persisted. Now when I can get it to blow it will work for 45 seconds turn off then won’t work for few days then try it it’ll work and work for about 20 minutes then shut off then repeats the same issues works then doesn't then works. Trying to diagnose before I buy the wrong part want to be sure the problem. Thanks







