Sunday, October 28th, 2018 AT 5:47 PM
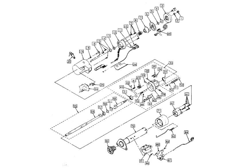
Changed out the steering rack, and subsequently had to lower the steering column but now that everything is back together keep blowing fuse #9. At first it seemed to happen when put into drive, but last fuse blew the moment the starter was engaged. What could be causing this?



