Wednesday, February 14th, 2018 AT 6:17 PM
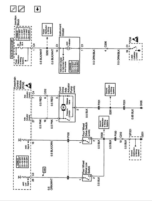
My transfer case on my vehicle blew up the other day so I changed the whole transfer case. I bought a new one, I also bought a new front drive shaft as mine was not good anymore. I put the new transfer case on and the drive shaft now my four wheel drive light does not come on. It will not engage into four wheel drive, but when I put it in four wheel drive the front drive shaft spins but the tires do not. Any ideas on what this problem could be? I am completely out of ideas and do not have the money to get a shop to look at it.




