Sunday, March 26th, 2023 AT 1:33 PM
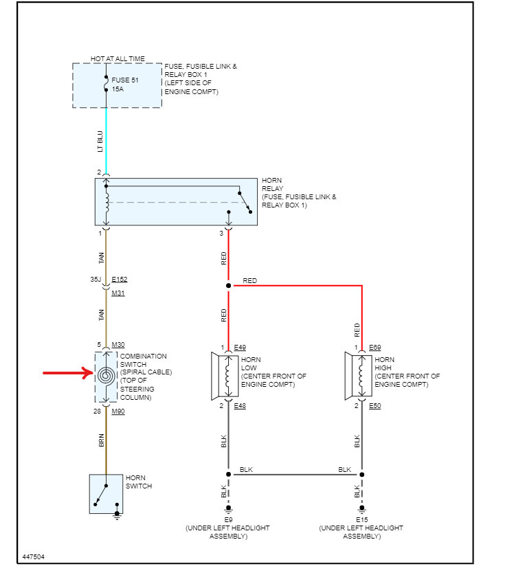
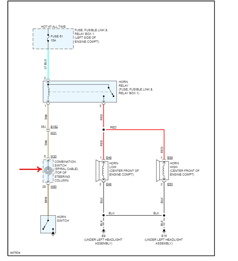
The horn to the vehicle listed above S select, is not working when the center of the steering wheel is depressed. When the emergency button on the key is pressed the alarm lights and Horn activates. Trying to find a simple answer as to if it is the fuse or the relay online is difficult. I would gladly check the fuse, but I cannot find a diagram for the vehicle listed above S select fuse box. I have limited knowledge regarding this but do have experience in working with cars so minor fixes such as a relay or fuse or even put it in a new low or high tone horn is well within my capabilities. In addition, I use the blue driver OBD2 diagnostic tool, and no code comes up after a full system check regarding the horn. I just need to know if the issue looks like it's something that I can handle or not. Please help me diagnose this problem or provide directions in regards to resources that I could use to figure out what the issue is here. Thank you for your time, patience and assistance with this. Best always. J-








