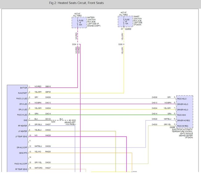
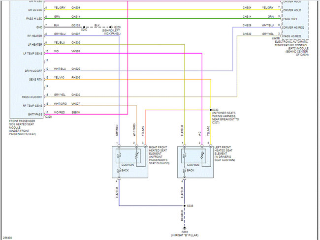
I checked the fuse under the hood, it's good. I checked the wire harnesses under both front seats and all connectors seem to be plugged in and tight.
I believe it's something they both have in common, but I'm not sure what.
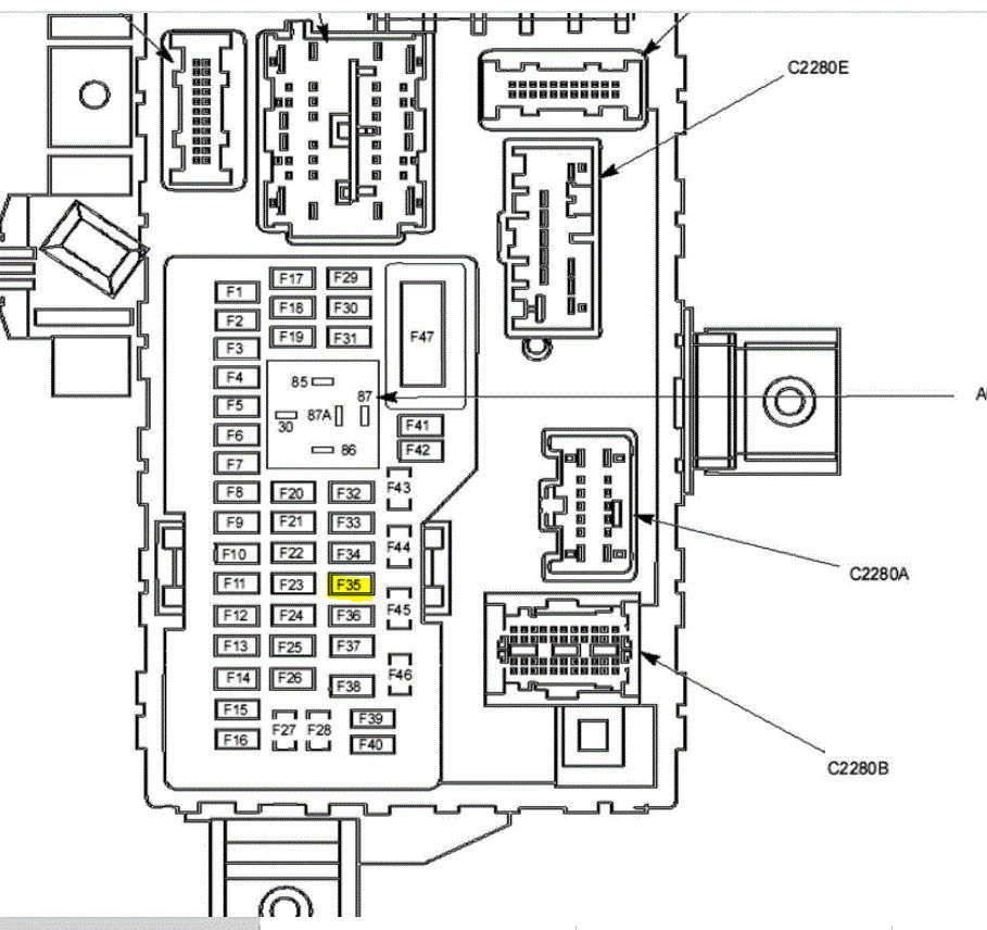
Do you know if there is a relay that controls both heated seats?
If so, what is the location?
Wednesday, October 30th, 2013 AT 12:54 PM
















